برنامج Cade Simu :
برنامج Cade Simu هو برنامج محاكاة يستخدم في تصميم ومحاكاة الدوائر الكهربائية والمخططات الكهربائية. يتيح للمستخدمين رسم الدوائر الكهربائية واختبارها وتحليلها ومحاكاتها في بيئة افتراضية قبل تنفيذها عمليًا.
يوفر Cade Simu واجهة بسيطة وسهلة الاستخدام تتضمن مجموعة واسعة من العناصر والرموز الكهربائية المستخدمة في التصميم الكهربائي، مثل المحركات والمفاتيح والملفات والمقاومات والمكثفات وغيرها. يمكنك سحب وإفلات هذه العناصر وتوصيلها ببعضها البعض لبناء دوائر كهربائية معقدة.
بعد رسم الدائرة، يمكنك استخدام Cade Simu لتحليلها ومحاكاتها لمعرفة كيفية ستتصرف الدائرة في ظروف مختلفة. يمكنك تشغيل المحاكاة ورؤية تدفق التيار والجهد في الدائرة وتأثير التغييرات التي تقوم بها. يمكنك أيضًا تسجيل قراءات الأدوات الكهربائية الافتراضية وتتبع القيم الناتجة.
برنامج Cade Simu متاح مجانًا ويعمل على أنظمة التشغيل Windows. يوفر أيضًا مجموعة من الأدوات والميزات الإضافية مثل محاكاة الحركة وتحليل التيار المتردد والتصدير إلى صيغ مختلفة.
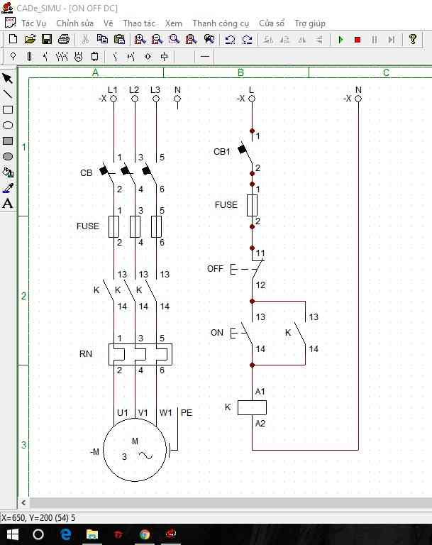
- نموذج محاكاة لدارة التحكم و الاستطاعة اقلاع مباشر لمحرك كهربائي :
ميزات برنامج cade simu :
برنامج Cade Simu يوفر مجموعة من المميزات التي تسهل تصميم ومحاكاة الدوائر الكهربائية. إليك بعض المميزات الرئيسية للبرنامج:
1. واجهة سهلة الاستخدام: يتميز Cade Simu بواجهة بسيطة وسهلة الاستخدام، مما يسمح للمستخدمين بسرعة رسم الدوائر الكهربائية وإجراء التعديلات.
2. مكتبة عناصر ورموز كهربائية: يحتوي البرنامج على مكتبة شاملة من العناصر الكهربائية المستخدمة في التصميم الكهربائي، مثل المحركات والمفاتيح والمقاومات والمكثفات والملفات وغيرها. يمكنك سحب وإفلات هذه العناصر وتوصيلها ببعضها لبناء الدائرة المطلوبة.
3. محاكاة دقيقة: يمكنك استخدام Cade Simu لتحليل الدوائر الكهربائية ومحاكاتها في بيئة افتراضية. يمكنك تشغيل المحاكاة ومراقبة الأداء العام للدائرة.
4. ميزات إضافية: يحتوي Cade Simu على بعض الميزات الإضافية مثل محاكاة الحركة، حيث يمكنك محاكاة حركة المحركات والمفاتيح. كما يدعم التصدير إلى صيغ مختلفة مثل الصور وملفات PDF.
عند فتح البرنامج سوف يطلب منك ادخال كلمة المرور : (PASS WORD CADE SIMU: 4962)
لتحميل البرنامج اضغط على الرابط ادناه :
